Deepcool Lucifer: dagli inferi una nuova bistecchiera per PC, con o senza ventola - Deepcool Lucifer: sistema e metodologia di test 2011

Indice articoli

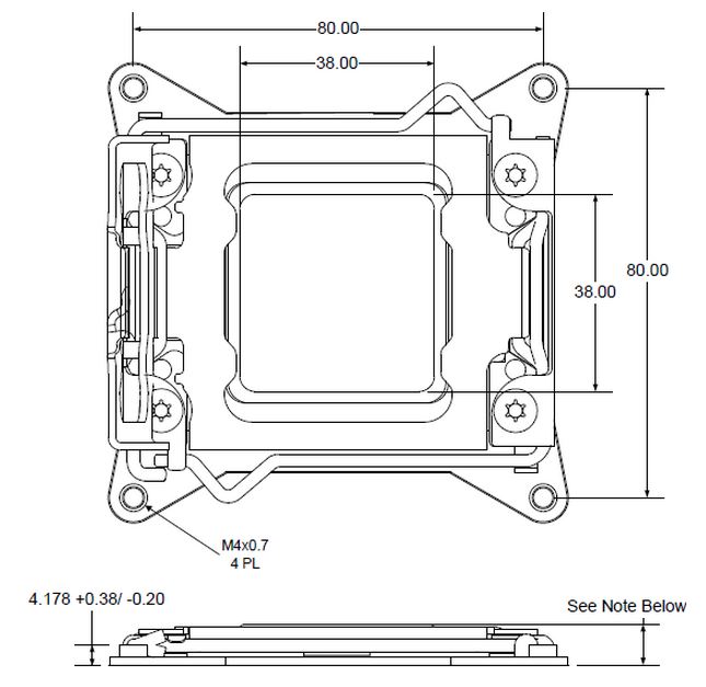
Abbiamo testato il dissipatore sulla nuova piattaforma Intel X79, con socket LGA 2011. Il tutto è stato montato su di un banchetto aperto, con temperatura ambiente di circa 24°C. Abbiamo scelto di utilizzare come CPU il nuovissimo Core i7 3930K da 130W di TDP, in quanto permette di stressare in modo adeguato il dissipatore. La massima temperatura sostenibile dalla CPU, prima di entrare in Thermal Throttling è 90°C. La superficie di contatto dell’IHS della CPU è pari a 38x38mm.

CPUSPEC 38X38

 

Qui potete osservare in cosa consiste la piattaforma di test per il socket 2011:

sysprova 2011

 

Vogliamo precisare che la procedura di misurazione delle temperature è molto rigorosa; ogni dato riportato viene verificato, ricalcolato tramite test supplementari se sospetto ed inoltre è riposta molta attenzione alla Temperatura Ambiente (Tamb) di modo che i risultati siano il più possibile realistici, riproducibili e fondamentalmente corretti. Potete stare certi che quello che leggete qui, a parità di configurazione e settaggi corrisponde, entro l’errore sperimentale, al valore vero.

 

Corsair